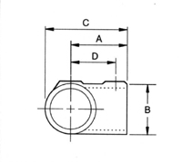
|
SIZE
REF.
|
DIMENSIONS (in)
|
WT.
LB
|
|
A
|
B
|
C
|
D
|
| A2-5 |
1.73 |
1.42 |
2.44 |
1.22 |
0.48
|
| A2-6 |
2.13 |
1.73 |
2.99 |
1.50 |
0.79
|
| A2-7 |
2.40 |
2.13 |
3.50 |
1.69 |
1.17
|
| A2-7X8 |
2.72 |
2.36 |
3.83 |
2.01 |
1.41
|
| A2-8 |
2.72 |
2.36 |
3.86 |
1.93 |
1.52
|
| A2-8X7 |
2.56 |
2.13 |
3.78 |
1.85 |
1.28
|
| A2-9 |
3.39 |
2.95 |
4.88 |
2.64 |
2.60
|
SIZE
REF.
|
DIMENSIONS (mm)
|
WT.
KG
|
|
A
|
B
|
C
|
D
|
| A2-5 |
44 |
36 |
62 |
31 |
0.22
|
| A2-6 |
54 |
44 |
76 |
38 |
0.36
|
| A2-7 |
61 |
54 |
89 |
43 |
0.53
|
| A2-7X8 |
69 |
60 |
97 |
51 |
0.64
|
| A2-8 |
69 |
60 |
98 |
49 |
0.69
|
| A2-8X7 |
65 |
54 |
96 |
47 |
0.58
|
| A2-9 |
86 |
75 |
124 |
67 |
1.18
|
| |
|