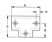
|
SIZE
REF.
|
DIMENSIONS (in)
|
WT.
LB
|
|
A
|
B
|
C
|
D
|
| A4-5 |
3.46 |
1.69 |
2.44 |
0.51 |
0.86 |
| A4-6 |
3.74 |
1.85 |
2.72 |
0.55 |
1.15 |
| A4-7 |
4.72 |
2.36 |
3.43 |
0.71 |
1.96 |
| A4-8 |
5.51 |
2.76 |
3.94 |
0.75 |
2.58 |
| A4-9 |
6.73 |
3.35 |
4.80 |
0.75 |
4.28 |
SIZE
REF.
|
DIMENSIONS (mm)
|
WT.
KG
|
|
A
|
B
|
C
|
D
|
| A4-5 |
88
|
43
|
62
|
13
|
0.39
|
| A4-6 |
95
|
47
|
69
|
14
|
0.52
|
| A4-7 |
120
|
60
|
87
|
18
|
0.89
|
| A4-8 |
140
|
70
|
100
|
19
|
1.17
|
| A4-9 |
171
|
85
|
122
|
19
|
1.94
|
| |
|