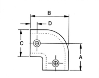
|
SIZE
REF.
|
DIMENSIONS (in)
|
WT.
LB
|
|
A
|
B
|
C
|
D
|
| A6-5 |
1.65 |
2.36 |
1.46 |
0.51 |
0.60 |
| A6-6 |
2.17 |
3.03 |
1.77 |
0.59 |
1.04 |
| A6-7 |
2.40 |
3.46 |
2.13 |
0.71 |
1.61 |
| A6-8 |
2.72 |
3.90 |
2.36 |
0.71 |
1.94 |
| A6-9 |
3.39 |
4.84 |
2.91 |
0.75 |
3.35 |
SIZE
REF.
|
DIMENSIONS (mm)
|
WT.
KG
|
|
A
|
B
|
C
|
D
|
| A6-5 |
42
|
60
|
37
|
13
|
0.27
|
| A6-6 |
55
|
77
|
45
|
15
|
0.47
|
| A6-7 |
61
|
88
|
54
|
18
|
0.73
|
| A6-8 |
69
|
99
|
60
|
18
|
0.88
|
| A6-9 |
86
|
123
|
74
|
19
|
1.52
|
| |
|