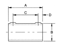
|
SIZE REF. |
DIMENSIONS (in)
|
WT. LB
|
| A
|
B |
C
|
D |
| A8-5 |
2.52 |
1.42 |
1.50 |
0.51 |
0.48 |
| A8-6 |
3.50 |
1.77 |
2.28 |
0.59 |
0.90 |
| A8-7 |
3.86 |
2.13 |
2.44 |
0.71 |
1.23 |
| A8-8 |
3.86 |
2.36 |
2.44 |
0.71 |
1.52 |
| A8-9 |
4.72 |
2.95 |
3.23 |
0.75 |
2.53 |
SIZE REF. |
DIMENSIONS (mm) |
WT. KG |
| A
|
B |
C
|
D |
| A8-5 |
64 |
36 |
38 |
13 |
0.22 |
| A8-6 |
89 |
45 |
58 |
15 |
0.41 |
| A8-7 |
98 |
54 |
62 |
18 |
0.56 |
| A8-8 |
98 |
60 |
62 |
18 |
0.69 |
| A8-9 |
120 |
75 |
82 |
19 |
1.15 |
| |
|