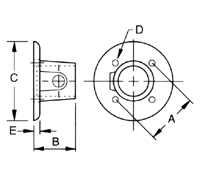
|
SIZE
REF.
|
DIMENSIONS (in)
|
WT.
LB
|
|
A
|
B
|
C
|
D
|
E
|
| A10-5 |
2.48
|
1.89
|
3.19
|
0.20
|
0.24
|
0.79
|
| A10-6 |
2.56
|
1.89
|
3.31
|
0.24
|
0.24
|
0.93
|
| A10-7 |
2.91
|
2.09
|
3.74
|
0.28
|
0.28
|
1.34
|
| A10-8 |
3.27
|
2.20
|
4.13
|
0.39
|
0.28
|
1.68
|
| A10-9 |
3.90
|
2.60
|
5.04
|
0.39
|
0.28
|
2.56
|
SIZE
REF.
|
DIMENSIONS (mm)
|
WT.
KG
|
|
A
|
B
|
C
|
D
|
E
|
| A10-5 |
63
|
48
|
81
|
5
|
6
|
0.36
|
| A10-6 |
65
|
48
|
84
|
6
|
6
|
0.42
|
| A10-7 |
74
|
53
|
95
|
7
|
7
|
0.61
|
| A10-8 |
83
|
56
|
105
|
10
|
7
|
0.76
|
| A10-9 |
99
|
66
|
128
|
10
|
7
|
1.16
|
| |
|