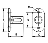
|
SIZE
REF.
|
DIMENSIONS (in)
|
WT.
LB
|
|
A
|
B
|
C
|
D
|
E
|
| A12-5 |
4.45
|
2.99
|
2.40
|
0.43
|
3.19
|
1.56
|
| A12-6 |
5
|
3.50
|
2.95
|
0.55
|
3.39
|
2.12
|
| A12-7 |
5.59
|
4.09
|
3.15
|
0.55
|
3.43
|
2.80
|
| A12-8 |
6.06
|
4.57
|
3.62
|
0.55
|
3.82
|
3.55
|
| A12-9 |
6.50
|
4.92
|
3.86
|
0.71
|
4.76
|
5.42
|
SIZE
REF.
|
DIMENSIONS (mm)
|
WT.
KG
|
|
A
|
B
|
C
|
D
|
E
|
| A12-5 |
113
|
76
|
61
|
11
|
81
|
0.71
|
| A12-6 |
127
|
89
|
75
|
14
|
86
|
0.96
|
| A12-7 |
142
|
104
|
80
|
14
|
87
|
1.27
|
| A12-8 |
154
|
116
|
92
|
14
|
97
|
1.61
|
| A12-9 |
165
|
125
|
98
|
18
|
121
|
2.46
|
| |
|