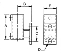
|
SIZE
REF.
|
DIMENSIONS (in)
|
WT.
LB
|
|
A
|
B
|
C
|
D
|
E
|
| A14-6 |
4.09
|
2.48
|
2.60
|
0.55
|
1.89
|
2.05
|
| A14-7 |
4.45
|
2.52
|
2.99
|
0.55
|
2.09
|
2.82
|
| A14-8 |
4.45
|
2.36
|
3.43
|
0.55
|
2.36
|
3.42
|
SIZE
REF.
|
DIMENSIONS (mm)
|
WT.
KG
|
|
A
|
B
|
C
|
D
|
E
|
| A14-6 |
104
|
63
|
66
|
14
|
48
|
0.93
|
| A14-7 |
113
|
64
|
76
|
14
|
53
|
1.28
|
| A14-8 |
113
|
60
|
87
|
14
|
60
|
1.55
|
| |
|