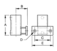
|
SIZE
REF.
|
DIMENSIONS (in)
|
WT.
LB
|
|
A
|
B
|
C
|
D
|
E
|
| A16-6 |
4.09 |
2.52 |
2.60 |
0.55 |
3.78 |
2.16 |
| A16-7 |
4.49 |
2.52 |
2.99 |
0.55 |
4.21 |
2.89 |
| A16-8 |
4.45 |
2.52 |
3.39 |
0.55 |
4.57 |
3.46 |
SIZE
REF.
|
DIMENSIONS (mm)
|
WT.
KG
|
|
A
|
B
|
C
|
D
|
E
|
| A16-6 |
104
|
64
|
66
|
14
|
96
|
0.98
|
| A16-7 |
114
|
64
|
76
|
14
|
107
|
1.31
|
| A16-8 |
113
|
64
|
86
|
14
|
116
|
1.57
|
| |
|