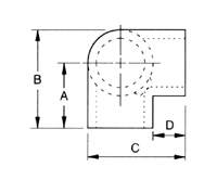
|
SIZE
REF.
|
DIMENSIONS (in)
|
WT.
LB
|
|
A
|
B
|
C
|
D
|
| A18-5 |
1.77 |
2.56 |
2.56 |
1.06 |
0.95 |
| A18-6 |
2.09 |
3.11 |
3.11 |
1.30 |
1.41 |
| A18-7 |
2.60 |
3.82 |
3.82 |
1.61 |
2.20 |
| A18-8 |
2.83 |
4.09 |
4.09 |
1.65 |
2.87 |
| A18-9 |
3.27 |
4.84 |
4.84 |
1.85 |
4.47 |
SIZE
REF.
|
DIMENSIONS (mm)
|
WT.
KG
|
|
A
|
B
|
C
|
D
|
| A18-5 |
45 |
65 |
65 |
27 |
0.43 |
| A18-6 |
53 |
79 |
79 |
33 |
0.64 |
| A18-7 |
66 |
97 |
97 |
41 |
1.00 |
| A18-8 |
72 |
104 |
104 |
42 |
1.30 |
| A18-9 |
83 |
123 |
123 |
47 |
2.03 |
| |
|