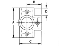
|
SIZE REF. |
DIMENSIONS (in) |
WT. LB |
| A |
B |
C |
D |
| A24-5 |
3.31 |
1.73 |
2.44 |
0.91 |
0.84 |
| A24-6 |
4.02 |
1.89 |
2.83 |
1.10 |
1.28 |
| A24-7 |
4.88 |
2.40 |
3.50 |
1.34 |
1.96 |
| A24-8 |
5.59 |
2.80 |
4.02 |
1.57 |
2.64 |
| A24-9 |
6.73 |
3.39 |
4.88 |
1.89 |
4.34 |
SIZE
REF.
|
DIMENSIONS (mm)
|
WT.
KG
|
|
A
|
B
|
C
|
D
|
| A24-5 |
84
|
44
|
62
|
23
|
0.38
|
| A24-6 |
102
|
48
|
72
|
28
|
0.58
|
| A24-7 |
124
|
61
|
89
|
34
|
0.89
|
| A24-8 |
142
|
71
|
102
|
40
|
1.20
|
| A24-9 |
171
|
86
|
124
|
48
|
1.97
|
| |
|