AIS 38 DOUBLE SWIVEL SOCKET MALE
AIS 38 DOUBLE SWIVEL SOCKET MALEAIS 38 DOUBLE SWIVEL SOCKET MALE
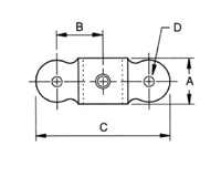
SIZE
REF.
DIMENSIONS (in)
WT.
LB
A
B
C
D
 A38-6
1.54
1.69
5.00
0.39
0.75
 A38-7
1.77
1.97
5.39
0.39
0.97
 A38-8
1.85
2.20
5.75
0.39
1.08

SIZE
REF.
DIMENSIONS (mm)
WT.
KG
A
B
C
D
 A38-6
39
43
127
10
0.34
 A38-7
45
50
137
10
0.44
 A38-8
47
56
146
10
0.49
Close