AIS 40 CORNER SWIVEL SOCKET MALE
AIS 40 CORNER SWIVEL SOCKET MALEAIS 40 CORNER SWIVEL SOCKET MALE
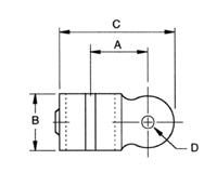
SIZE
REF.
DIMENSIONS (in)
WT.
LB
A
B
C
D
 A40-6
1.77
1.54
3.43
0.39
0.77
 A40-7
1.97
1.77
3.78
0.39
0.97
 A40-8
2.18
1.85
4.13
0.39
1.12

SIZE
REF.
DIMENSIONS (mm)
WT.
KG
A
B
C
D
 A40-6
45
39
87
10
0.35
 A40-7
50
45
96
10
0.44
 A40-8
54
47
105
10
0.51
Close