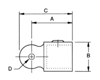
|
SIZE
REF.
|
DIMENSIONS (in)
|
WT.
LB
|
|
A
|
B
|
C
|
D
|
| A42-5 |
2.40
|
1.42
|
3.11
|
0.39
|
0.64
|
| A42-6 |
2.56
|
1.73
|
3.35
|
0.39
|
0.84
|
| A42-7 |
2.91
|
2.13
|
3.62
|
0.39
|
1.12
|
| A42-8 |
3.19
|
2.36
|
3.94
|
0.39
|
1.37
|
| A42-9 |
3.50
|
2.91
|
4.29
|
0.39
|
2.01
|
SIZE
REF.
|
DIMENSIONS (mm)
|
WT.
KG
|
|
A
|
B
|
C
|
D
|
| A42-5 |
61
|
36
|
79
|
10
|
0.29
|
| A42-6 |
65
|
44
|
85
|
10
|
0.38
|
| A42-7 |
74
|
54
|
92
|
10
|
0.51
|
| A42-8 |
81
|
60
|
100
|
10
|
0.62
|
| A42-9 |
89
|
74
|
109
|
10
|
0.91
|
| |
|