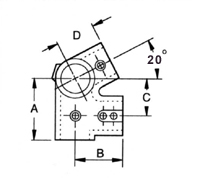
AIS 54 SIDE OUTLET ELBOW & TEE COMBINATION
AIS 54 SIDE OUTLET ELBOW & TEE COMBINATIONAIS 54 SIDE OUTLET ELBOW & TEE COMBINATION
SIZE
REF.
DIMENSIONS (in)
WT.
LB
A
B
C
D
 A54-6
2.87
2.83
1.57
1.97
1.76
 A54-8
3.66
3.19
2.17
2.68
3.13

SIZE
REF.
DIMENSIONS (mm)
WT.
KG
A
B
C
D
 A54-6
73
72
40
50
0.80
 A54-8
93
81
55
68
1.42
Close