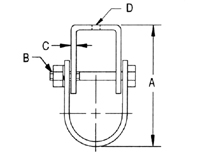
CH.HD CLEVIS PIPE HANGER
CH.HD CLEVIS PIPE HANGERCH.HD CLEVIS PIPE HANGER
SIZE
REF.
DIMENSIONS (in)
WT.
LB
A
B
C
D
 CH.HD-8
4.13
0.37
0.18
0.43
0.71

SIZE
REF.
DIMENSIONS (mm)
WT.
KG
A
B
C
D
 CH.HD-8
105
9.52
4.5
11
0.32
Close